Кликабельно.

Во второй ревизии были исправлены найденные ошибки, и разъём microUSB заменен на полноразмерный USB для кондовости. Файлы для отправки платы в производство: https://github.com/sergev/mk-61/raw/master/board/replica61.zip
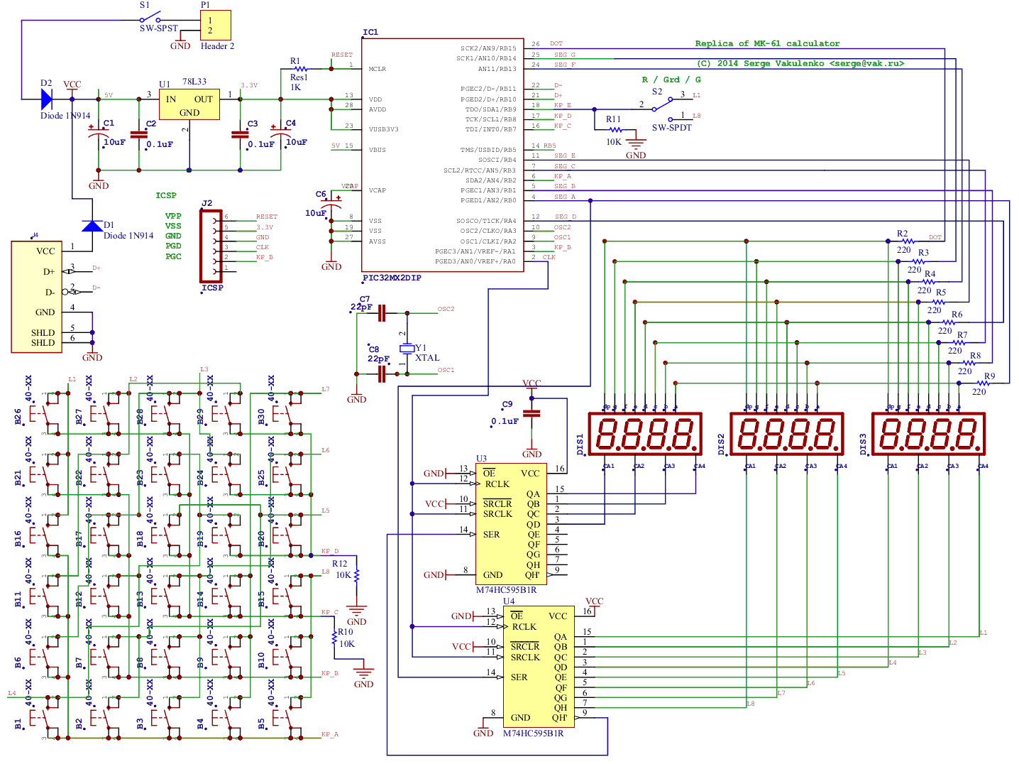
Исправленная схема:

Исходники лежат на Гитхабе: https://github.com/sergev/mk-61
Предыдущие публикации на тему МК-61:
http://ramlamyammambam.livejournal.com/274783.html
http://ramlamyammambam.livejournal.com/267234.html
http://ramlamyammambam.livejournal.com/266692.html
http://ramlamyammambam.livejournal.com/266277.html

Во второй ревизии были исправлены найденные ошибки, и разъём microUSB заменен на полноразмерный USB для кондовости. Файлы для отправки платы в производство: https://github.com/sergev/mk-61/raw/master/board/replica61.zip
Исправленная схема:

Исходники лежат на Гитхабе: https://github.com/sergev/mk-61
Предыдущие публикации на тему МК-61:
http://ramlamyammambam.livejournal.com/274783.html
http://ramlamyammambam.livejournal.com/267234.html
http://ramlamyammambam.livejournal.com/266692.html
http://ramlamyammambam.livejournal.com/266277.html

no subject
Date: 2015-10-01 04:41 (UTC)no subject
Date: 2015-10-01 05:00 (UTC)no subject
Date: 2015-10-01 05:03 (UTC)К тому же такие калькуляторы в большом количестве продаются на интернет-барахолках типа avito и стоят недорого.
Поэтому не думаю, что это будет иметь массовый спрос.
Но проект всё равно классный!
no subject
Date: 2015-10-01 05:12 (UTC)no subject
Date: 2015-10-01 05:14 (UTC)no subject
Date: 2015-10-01 08:12 (UTC)no subject
Date: 2015-10-01 08:31 (UTC)no subject
Date: 2015-10-01 11:01 (UTC)no subject
Date: 2015-10-01 05:07 (UTC)no subject
Date: 2015-10-01 05:11 (UTC)Там и гораздо более существенные проекты иногда загибаются.
no subject
Date: 2015-10-01 05:14 (UTC)no subject
Date: 2015-10-01 08:45 (UTC)А нет планов сделать с ЖК-индикатором и в каком-нить корпусе?
Этакий "МК61 платинум"
Я бы приобрел с удовольствием через пейпал.
no subject
Date: 2015-10-01 08:49 (UTC)no subject
Date: 2015-10-01 08:53 (UTC)ЖК-индикатор только исходя из долговечности батареек и возможности питания от пары CR2032.
Мы на pmk.arbinada.com обсуждали все эти моменты и в контексте новосибирских изделий и для рапирного калькулятора.
Кстати, если ЖК индикатор многострочный, то по идее можно будет прошивку Форта или Рапиры засунуть в то же устройство.
no subject
Date: 2015-10-01 09:07 (UTC)Покупается на Ebay за $30.
В нем стоит процессор ARM, и его легко перепрошить.
Исходники имеются на Sourceforge.
На его основе сделан известный opensource калькулятор WP-34s: http://commerce.hpcalc.org/34s.php
Можно взять за основу для рапирного калькулятора.
Но как МК-61 не годится: раскладка клавиатуры не та.
no subject
Date: 2015-10-01 09:21 (UTC)А есть ли другие модели, которые можно относительно просто перепрошивать?
Думаю, что какие-нибудь ситизены были бы еще дешевле в качестве полуфабриката, правда, там непонятно что с процессором. Все-таки, АРМ и в Африке АРМ.
no subject
Date: 2015-10-02 07:48 (UTC)no subject
Date: 2015-10-01 13:25 (UTC)1. Печатаем на принтере. Получается средне, но при правильном проектировании вполне юзабельно.
2. Делаем из частей типа фанера/оргстекло/пластик/толстый текстолит и пр. фрезером или лазерной резкой. Тоже при правильном проектировании должно получиться неплохо.
3. Берем стандартный пластиковый корпус подходящего размера и прорезаем дырки. Лучше тем же фрезером или лазером.
no subject
Date: 2015-10-02 07:37 (UTC)Делать, так уж на уровне современных калькуляторов.
no subject
Date: 2015-10-02 12:50 (UTC)no subject
Date: 2015-10-01 13:48 (UTC)Я посмотрел, sch у тебя есть, а вот brd почему то не нашел.
no subject
Date: 2015-10-02 07:31 (UTC)